원광공대/09'강의정보
09' 마이크로프로세서응용
NORTHWOOD
2009. 3. 11. 19:31
▶ "마이크로프로세서응용" / 이른 3학점 / 강의교수 : 안춘기 / 전자공학 4학년 1학기 / 전공선택
▶ 강의 계획서
▶ 강의에 대하여
이 수업은 08년도 신임교수님이신 안춘기 교수님께서 수업을 직접 진행하십니다. PPT로 주로 수업을 진행하나 판서 내용이 상당히 많기 때문에 필기 노트를 따로 준비를 해야합니다. 하나도 빠짐없이 필기를 하는 것이 가장 좋습니다. 교재는 좌측과 같이 AVR ATmega128 로 수업을 진행합니다.
신동욱,오창헌 공저 | Ohm사 | 정가 20,000원 | 출간일 2006년 02월 01일 | 379쪽
ISBN-10 8971017686 | 책정보 : http://www.kyobobook.co.kr/product/detailViewKor.laf?ejkGb=KOR&mallGb=KOR&barcode=9788971017685&orderClick=LAG
신동욱,오창헌 공저 | Ohm사 | 정가 20,000원 | 출간일 2006년 02월 01일 | 379쪽
ISBN-10 8971017686 | 책정보 : http://www.kyobobook.co.kr/product/detailViewKor.laf?ejkGb=KOR&mallGb=KOR&barcode=9788971017685&orderClick=LAG
이 과목을 수강하기 위해서는 C언어기본및응용과 컴퓨터구조(Architecture)를 먼저 수강을 해야 합니다. 가장 기본적인 구조를 알아야만 Processor 을 다룰 수 있기 때문입니다. 만약 수강을 하지 않았더라도 수업 초반에는 (1~3주 정도)에는 마이크로프로세서 및 컴퓨터 구조에 대해 기초적인 부분을 학습하게 됩니다. (복습차원에서) 그리고 4주차 부터는 본격적으로 ATmega를 다루는 수업을 진행합니다. 1주차 ~ 3주차 정도에는 거의 PPT와 판서로 수업을 하기 때문에 교재를 서둘러서 구매할 필요는 없습니다. (4주차 이후부터는 본격적으로 C언어 코딩에 관련한 부분, 즉 각종 예제들을 접하기 때문에 반드시 책이 있어야 합니다.)
교수님 스타일은 '반복'입니다. 아까한말 계속 또하고 하고 또하고.... 그러다보면 저절로 외워집니다. "아 저 양반이 또 이런말 하겠구나" 할 정도로 계속 반복적으로 설명해주십니다. 판서한 부분이 꽤 되는데요 이부분 또한 계속 반복적으로 추가를 해서 판서를 하기때문에 필기를 하다보면 저절로 외워집니다. 교수님께서 말씀하시는 부분은 모조리 글로 옮겨 적도록 합시다. 물론 쓰느는 것만 집중해서는 안되며 이해를 해야 합니다.
중간고사가 지나면 ATMEGA128를 프로그래밍 하는 것을 공부하게됩니다. 각 레지스터를 어떻게 설정하는지 포트를 어떻게 입력 받는 것는지 등에 관하여 아주 체계적으로 지도합니다. 잘 필기 하여 복습을 해야 추후에 기말 시험이나 레포트 해결에 있어 무리 없이 해결할 수 있습니다.
시험은 난이도가 좀 있습니다. 개인적으로 시험 중에서 이런 시험이 짜증나더라구요. 분명히 한문제 인데 한문제가 아니고 3~5문제가 하나로 구성되어 있는 복합형 문제가 싫었습니다. 그렇습니다. 안춘기 교수님은 하나의 문제를 묻는게 아니라 한문제를 엮어서 복합적으로 연결하여 (List & Connectioning) 학생이 제대로 이해를 하고 있는가, 그리고 암기 하고 있는가 를 묻습니다. 따라서 시험 공부할 때는 체계적인 써머리가 필요로 합니다. 하나만 주구 창창 파는게 아니라 각 요소와 요소를 연결지어서 이해 및 암기로 공부해야합니다. (예컨데 잔잔한 호수에 돌을 던지면 사방으로 물결이 퍼지듯이 말이죠) 평소에 열심히 공부했던 학생이면 빡세게 시험 준비를 하지 않아도 됩니다. (물론 벼락치기는 조금 불가능 할지도..)
문제는 레포트입니다. 2008년에는 작품 제출로 했는데 원광대 전자공학과 학생들의 실력을 확실히 느낀 교수님이라 2009년 수업에는 레포트를 주셨습니다. 레포트를 해결하기 위해서는 ATmega128 모듈을 구비하여 테스트 회로를 만드는게 가장 이상적입니다. 이 부분에 대해서는 포스트 하단의 레포트 부분을 참고 하십시오. 난이도는 조금 있습니다. '이명민'이가 마이크로프로세서좀 만졌다고 생각했는데 약 17시간 걸린 레포트입니다. ㅋ 프로그래밍은 쉬울 수 있는데 이게 ISP 다운로딩을 반복적으로 하느라 시간이 꽤 걸렸습니다. 아, 레포트를 하지않으면 점수가 상당히 까이니 못해도 무조건 하려고 하십시오. 그리고 남들꺼 배껴서 그대로 제출하면 무조건 감점입니다. 이점 명심하시고 혼자 하려고 노력하시길 바랍니다. (이명민 레포트는 절대로 공개하지 않습니다. 메일 보내 요구하여도 절대로 보내지 않음을 명시합니다. 이 부분은 사전에 교수님께서 요청하셨고 제 아버지이름을 걸었기에 보내드릴 수 없습니다. 양해바랍니다. 단, 제가 코치는 해드립니다. 모른게 있으면 메일을 보내주세요. 보내주실때는 자기가 최대한 한 것을 작성해서 보내주시면 검토해서 도와드립니다.)
교수님 스타일은 '반복'입니다. 아까한말 계속 또하고 하고 또하고.... 그러다보면 저절로 외워집니다. "아 저 양반이 또 이런말 하겠구나" 할 정도로 계속 반복적으로 설명해주십니다. 판서한 부분이 꽤 되는데요 이부분 또한 계속 반복적으로 추가를 해서 판서를 하기때문에 필기를 하다보면 저절로 외워집니다. 교수님께서 말씀하시는 부분은 모조리 글로 옮겨 적도록 합시다. 물론 쓰느는 것만 집중해서는 안되며 이해를 해야 합니다.
중간고사가 지나면 ATMEGA128를 프로그래밍 하는 것을 공부하게됩니다. 각 레지스터를 어떻게 설정하는지 포트를 어떻게 입력 받는 것는지 등에 관하여 아주 체계적으로 지도합니다. 잘 필기 하여 복습을 해야 추후에 기말 시험이나 레포트 해결에 있어 무리 없이 해결할 수 있습니다.
시험은 난이도가 좀 있습니다. 개인적으로 시험 중에서 이런 시험이 짜증나더라구요. 분명히 한문제 인데 한문제가 아니고 3~5문제가 하나로 구성되어 있는 복합형 문제가 싫었습니다. 그렇습니다. 안춘기 교수님은 하나의 문제를 묻는게 아니라 한문제를 엮어서 복합적으로 연결하여 (List & Connectioning) 학생이 제대로 이해를 하고 있는가, 그리고 암기 하고 있는가 를 묻습니다. 따라서 시험 공부할 때는 체계적인 써머리가 필요로 합니다. 하나만 주구 창창 파는게 아니라 각 요소와 요소를 연결지어서 이해 및 암기로 공부해야합니다. (예컨데 잔잔한 호수에 돌을 던지면 사방으로 물결이 퍼지듯이 말이죠) 평소에 열심히 공부했던 학생이면 빡세게 시험 준비를 하지 않아도 됩니다. (물론 벼락치기는 조금 불가능 할지도..)
문제는 레포트입니다. 2008년에는 작품 제출로 했는데 원광대 전자공학과 학생들의 실력을 확실히 느낀 교수님이라 2009년 수업에는 레포트를 주셨습니다. 레포트를 해결하기 위해서는 ATmega128 모듈을 구비하여 테스트 회로를 만드는게 가장 이상적입니다. 이 부분에 대해서는 포스트 하단의 레포트 부분을 참고 하십시오. 난이도는 조금 있습니다. '이명민'이가 마이크로프로세서좀 만졌다고 생각했는데 약 17시간 걸린 레포트입니다. ㅋ 프로그래밍은 쉬울 수 있는데 이게 ISP 다운로딩을 반복적으로 하느라 시간이 꽤 걸렸습니다. 아, 레포트를 하지않으면 점수가 상당히 까이니 못해도 무조건 하려고 하십시오. 그리고 남들꺼 배껴서 그대로 제출하면 무조건 감점입니다. 이점 명심하시고 혼자 하려고 노력하시길 바랍니다. (이명민 레포트는 절대로 공개하지 않습니다. 메일 보내 요구하여도 절대로 보내지 않음을 명시합니다. 이 부분은 사전에 교수님께서 요청하셨고 제 아버지이름을 걸었기에 보내드릴 수 없습니다. 양해바랍니다. 단, 제가 코치는 해드립니다. 모른게 있으면 메일을 보내주세요. 보내주실때는 자기가 최대한 한 것을 작성해서 보내주시면 검토해서 도와드립니다.)
▶ 2009년도 마이크로프로세서 응용 수업자료 (http://cafe.naver.com/wkump2009)
2009년도 수업자료는 상단의 인터넷카페 주소에서 가입 및 교수님의 가입승인 후 다운로드가 가능합니다. 공부하고자 하는 의지가 강한 학생들을 위해서 수업자료를 여기서도 업로드합니다. (PPT는 저작권을 침해 소지가 있으므로 PDF 변환 업로드)
아래 파일은 암호가 걸려있습니다. 암호를 얻으시려면 thisLMM@gmail.com으로 메일을 보내주세요. (Hint : 4자리숫자로구성되어 있습니다. 예를 들어 20090519라고 할때 2009가 바로 네자리 숫자라고 볼수 있습니다.)
2009년도 수업자료는 상단의 인터넷카페 주소에서 가입 및 교수님의 가입승인 후 다운로드가 가능합니다. 공부하고자 하는 의지가 강한 학생들을 위해서 수업자료를 여기서도 업로드합니다. (PPT는 저작권을 침해 소지가 있으므로 PDF 변환 업로드)
▶ 수업진행 및 판서 필기 노트
판서 노트 필기는 각 해당 주차마다 진도가 나간 만큼 포스트에 업로드합니다. (300DPI로 스캔하여 PDF 변환 업로드)
1주차
:::: 090302 ::::
- 오리엔테이션 -
:::: 090312 ::::
3주차
:::: 090317 ::::
:::: 090319 ::::
4주차
:::: 090324 ::::
:::: 090326 ::::
5주차
:::: 090331 ::::
삼성전자 방대인 과장 세미나
:::: 090402 ::::
6주차
:::: 090407 ::::
:::: 090409 ::::
7주차
:::: 090414 ::::
:::: 090417 ::::
8주차
:::: 090421 ::::
:::: 090423 ::::
- 중간고사 후 자율학습 -
9주차
:::: 090428 ::::
- 원불교 대각개교절 휴강 -
ㅅㅂ 무슨 이놈의 학교는 노는 날이 많아!
"추후에 보강"
:::: 090430 ::::
10주차
:::: 090505 ::::
- 어린이날 -
"추후에 보강"
:::: 090507 ::::
11주차
:::: 090512 ::::
- 안춘기 교수님 새신랑 기념으로 자율학습 합니다 -
"추후에 보강"
:::: 090514 ::::
- 안춘기 교수님 새신랑 기념으로 자율학습 합니다 -
"추후에 보강"
12주차
:::: 090519 ::::
:::: 090521 ::::
13주차
:::: 090526 ::::
:::: 090528 ::::
14주차
:::: 090602 ::::
:::: 090604 ::::
:::: 090610 ::::
- 추가 필기자료 : SuperScalar 및 Pipeline 방식에 대한 설명 -
15주차
:::: 090609 ::::
- 시험공부 및 자율학습 -
:::: 090611 ::::
:::: 090302 ::::
- 오리엔테이션 -
:::: 090312 ::::
3주차
:::: 090317 ::::
:::: 090319 ::::
4주차
:::: 090324 ::::
:::: 090326 ::::
5주차
:::: 090331 ::::
삼성전자 방대인 과장 세미나
:::: 090402 ::::
6주차
:::: 090407 ::::
:::: 090409 ::::
7주차
:::: 090414 ::::
:::: 090417 ::::
8주차
:::: 090421 ::::
:::: 090423 ::::
- 중간고사 후 자율학습 -
9주차
:::: 090428 ::::
- 원불교 대각개교절 휴강 -
ㅅㅂ 무슨 이놈의 학교는 노는 날이 많아!
"추후에 보강"
:::: 090430 ::::
10주차
:::: 090505 ::::
- 어린이날 -
"추후에 보강"
:::: 090507 ::::
11주차
:::: 090512 ::::
- 안춘기 교수님 새신랑 기념으로 자율학습 합니다 -
"추후에 보강"
:::: 090514 ::::
- 안춘기 교수님 새신랑 기념으로 자율학습 합니다 -
"추후에 보강"
12주차
:::: 090519 ::::
:::: 090521 ::::
13주차
:::: 090526 ::::
:::: 090528 ::::
14주차
:::: 090602 ::::
:::: 090604 ::::
:::: 090610 ::::
- 추가 필기자료 : SuperScalar 및 Pipeline 방식에 대한 설명 -
15주차
:::: 090609 ::::
- 시험공부 및 자율학습 -
:::: 090611 ::::
▶ REPORT
여기서는 "절대로" 레포트 정답을 공개하지 않습니다. (교수님과 사전에 약속이 있었습니다.) 반드시 자신의 실력과 노력을 통해 해결하도록 합시다. (이메일로 정답을 요구해도 '이명민'이는 절대로 보내지 않습니다.) 15주간 수업을 안춘기교수님께 잘 받았다면, 그리고 필기 자료를 잘 이해를 한다면 (더불어 실험수업까지 같이 듣는다면) 100% 레포트 문제를 해결할 수 있습니다. 즉, 교수님께서 주신 자료와 필기자료 정도면 충분히 여러분도 할 수 있습니다. 그러나 막상 시작하면 막막하기에 여기에서는 힌트는 조금 주도록 하겠습니다.
교수님께서 기말고사 전에 공지를 해주셨듯이 기말고사가 끝난 직후에 바로 레포트를 주셨습니다. (작년에는 작품으로 레포트를 대신했지만 원광대학교 전자공학 학생들의 실력을 염려하여(?) 레포트로 부과하기로 하셨답니다.) 마이크로프로세서응용카페(http://cafe.naver.com/wkump2009)에 레포트 문제가 업로드 되어 있으며 학생들은 문제를 잘 읽고 주어진 조건과 회로에 따라 프로그래밍을 하여 교수님 메일로 정해진 기간과 시간안에 제출을 해야합니다. 시간을 초과하여 제출할 경우 인정을 하지 않으며 레포트를 미제출로 간주한다고 하니 반드시 주어진 기간 안에 최선을 다해 작성하여 제출하도록 합시다.
여기서는 "절대로" 레포트 정답을 공개하지 않습니다. (교수님과 사전에 약속이 있었습니다.) 반드시 자신의 실력과 노력을 통해 해결하도록 합시다. (이메일로 정답을 요구해도 '이명민'이는 절대로 보내지 않습니다.) 15주간 수업을 안춘기교수님께 잘 받았다면, 그리고 필기 자료를 잘 이해를 한다면 (더불어 실험수업까지 같이 듣는다면) 100% 레포트 문제를 해결할 수 있습니다. 즉, 교수님께서 주신 자료와 필기자료 정도면 충분히 여러분도 할 수 있습니다. 그러나 막상 시작하면 막막하기에 여기에서는 힌트는 조금 주도록 하겠습니다.
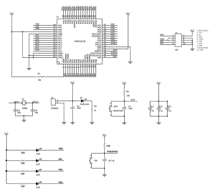
일단 레포트 문제지를 보면 회로도가 있을 것입니다. 잘 보면 ATmega162 를 이용했습니다. 이 부분은 너무 괴념치 마시고 그냥 ATMEGA128를 사용한다고 가정합니다. 그리고 외부XTAL은 16Mhz로 하는게 가장 무난 합니다.
본인 '이명민'이 같은 경우에는 다음과 같은 보드 회로를 이용하여 문제를 해결했습니다. (여기서 모듈은 US-Technology 社의 UST-MPB-ATmega128 v4 를 이용했습니다. 좌표는 http://www.us-technology.co.kr/product/product_main.asp?mode=101&smode=11 ) 물론 여러분들도 굳이 이 모듈만 아니라 다른 회사의 모듈을 이용해도 좋습니다. 상관없습니다. 여튼 위의 회로도를 참고하여 제가 다시 만든 회로도입니다. (rar파일로 압축하여 풀어서 자료를 확인하는 것을 추천합니다)
↓다운로드하기↓
저같은 경우에는 모듈과 제작 장비가 있기 때문에 회로도를 가지고 아래와 같이 테스트 보드를 설계하였습니다. 제작시간은 그리 많이 걸리지 않았습니다. (약 15분 정도) 제작을 완료하였다면 레포트문제 프로그래밍 전에 ISP가 동작하는지, ATMEGA128 칩이 제대로 동작하는지 기초적인 프로그램을 집어 넣어보도록 합니다. (반드시 사전에 하시길 바랍니다.)
★ "ATMEGA에 제대로 프로그래밍이 안되요!" 또는 "프로그래밍이 되지만 동작을 제대로 하지 않습니다!"
저도 이 문제 때문에 시작하기도 전에 엄청난 난관에 부딪쳤습니다. 분명히 제대로 프로그래밍을 했음에도 불구하고 정상적으로 출력이 되지 않거나 다운로딩이 안되었습니다. 5-6시간 고민했고 구글링을 통해서 문제를 해결하였죠. 결국에는 퓨즈 비트에서 문제가 되었습니다. 안춘기교수님께 수업을 제대로 들었던 학생이라면 수업 6-7주차에 ATMEGA128 셋팅 부분에 대해 기억할 것입니다. 바로 셋팅 값이 본인이 의도하지 않는 방향으로 셋팅이 되어 있기 때문에 원치않는 동작을 하였던 것입니다. 해결 방법은 다음 이미지를 참고하십시오. (출처 : http://www.devicemart.co.kr/mart7/mall.php?cat=010002000&query=view&no=14478)
바로 퓨즈 비트가 잘못 설정되었던 것입니다. 포니프로그에 들어가서 ATmega128과 ISP 연결한 후 "Read"를 눌러 ATmega128의 설정값을 불러 옵니다. 그런 다음 위의 그림과 같이 CKOTP만 체크해주고 나머지는 체크하지 않은 설정값으로 Write 해주십시오. 그런다음 OK를 누르면 설정이 완료됩니다. 반드시 이 작업을 사전에 해주시길 바랍니다.
+ CODEVISION Compiler (http://www.hpinfotech.ro/)
- 코드비젼 컴파일러 다운로드하기 : http://www.hpinfotech.ro/html/download.htm
- 코드비젼 컴파일러 매뉴얼 및 기타문서 : http://www.hpinfotech.ro/html/cvavr_doc.htm
- 코드비젼 컴파일러 다운로드하기 : http://www.hpinfotech.ro/html/download.htm
- 코드비젼 컴파일러 매뉴얼 및 기타문서 : http://www.hpinfotech.ro/html/cvavr_doc.htm
여기서 다운로드하기
무료버젼(2K제한)
상업버젼(라이센스필요)
메뉴얼(V2 버젼용)
FreeRTOS Porting
무료버젼(2K제한)
상업버젼(라이센스필요)
메뉴얼(V2 버젼용)
FreeRTOS Porting
+ AVRstudio4 다운받기
먼저 http://www.atmel.com 홈페이지로 접속하면 상단의 매뉴에서 Products를 클릭합니다. 그러면 하위메뉴가 출력되는데 이때 Microcontrollers를 선택하고 AVR 8-bit RISC를 선택합니다. 그러면 AVR 8-bit RISC 화면이 출력됩니다. 이때 좌측에서 Tools & Software를 클릭하게 되면 Tools & Software 화면이 출력됩니다.
Tools & Software 화면에서 좌측 두번째 Design Software를 클릭하십시오. 그러면 화면이 이동하게됩니다.
그러면 Design Software 가 출력되고 천천히 내리다 보면 AVR Studio4가 나옵니다. 그러면 클릭하면 화면이 이동됩니다.
아래쪽으로 내리다보면 AVR Studio 4.17 (build 666)이 보이는데 시디모양을 클릭하십시오. 다운페이지로 이동합니다.
길게 쓸 것없이 간단하게 입력하고 Click to Download 를 클릭하게 되면 다운로드 페이지로 이동합니다.
최종적으로 다운로드 페이지로 이동하였습니다. Please click here to begin the downlaod 에서 here 를 클릭하여 다운로드를 하십시오! 다운로드 주소는 다음과 같습니다. (현재 버전 4.17 이며 파일 링크는 언제든지 깨질 수 있습니다.) http://www.atmel.com/dyn/resources/prod_documents/AvrStudio417Setup.exe
먼저 http://www.atmel.com 홈페이지로 접속하면 상단의 매뉴에서 Products를 클릭합니다. 그러면 하위메뉴가 출력되는데 이때 Microcontrollers를 선택하고 AVR 8-bit RISC를 선택합니다. 그러면 AVR 8-bit RISC 화면이 출력됩니다. 이때 좌측에서 Tools & Software를 클릭하게 되면 Tools & Software 화면이 출력됩니다.
Tools & Software 화면에서 좌측 두번째 Design Software를 클릭하십시오. 그러면 화면이 이동하게됩니다.
그러면 Design Software 가 출력되고 천천히 내리다 보면 AVR Studio4가 나옵니다. 그러면 클릭하면 화면이 이동됩니다.
아래쪽으로 내리다보면 AVR Studio 4.17 (build 666)이 보이는데 시디모양을 클릭하십시오. 다운페이지로 이동합니다.
길게 쓸 것없이 간단하게 입력하고 Click to Download 를 클릭하게 되면 다운로드 페이지로 이동합니다.
최종적으로 다운로드 페이지로 이동하였습니다. Please click here to begin the downlaod 에서 here 를 클릭하여 다운로드를 하십시오! 다운로드 주소는 다음과 같습니다. (현재 버전 4.17 이며 파일 링크는 언제든지 깨질 수 있습니다.) http://www.atmel.com/dyn/resources/prod_documents/AvrStudio417Setup.exe
마이크로프로세서응용-안춘기.htm
2008mp_1.rar
2009_1.pdf
2008mp_mid_jokb.hwp
CodevisionAVR_EvaluationV2.04.1.zip